Marsh Tapers
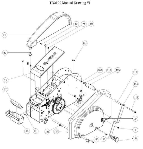
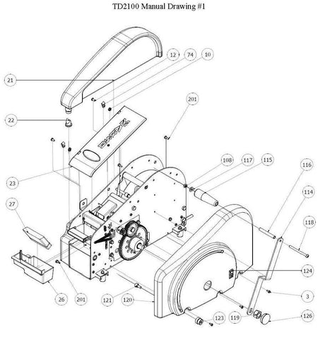
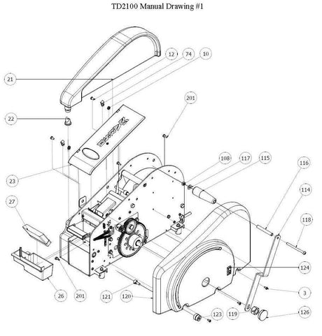
RP41907 Handle Return Spring Only (3)
Regular price $26.00 USDUnit price /UnavailableMarsh Tapers
RP42810 Heater/ Thermostat Assembly 220V
Regular price $180.00 USDUnit price /UnavailableMarsh Tapers
RP42952 1/4" Solenoid Bolt with Washers and Rue Pin
Regular price $16.00 USDUnit price /Unavailable